Kiriş güçlendirme için tek yönlü karbon fiber kumaş
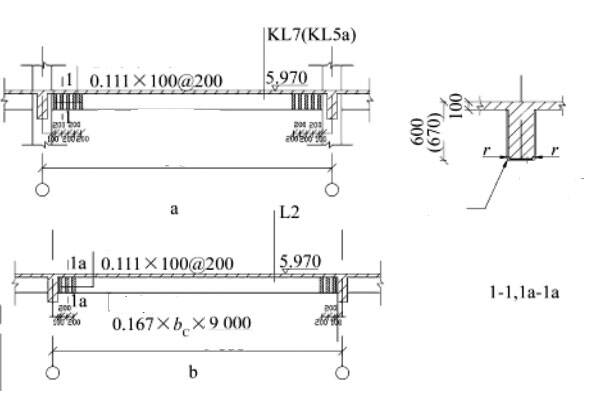
Tek yönlü karbon fiber kumaş fcfk 3 000N/mm2'den fazladır; Ecf 2,1 x 105 N/mm2'ye eşittir; kalınlık spesifikasyonu: 0,111 mm, 0,167 mm.
Analizden sonra, tek yönlü karbon fiber kumaş kullanıldı. İşlemden sonra yapısal performans test edildi. Gereklilikler karşılandıktan sonra, harcı kaplamak ve pürüzsüzleştirmek için çelik tel örgü kullanıldı.
Proje
Fabrika binası projesi kapsamında, 4 katlı bir iskeletin alt kolon betonu önce dökülüyor, ardından 5 gün sonra 2. katın döşeme kirişi ve döşeme betonu dökülüyor. Akşam saatlerinde döküm başlıyor. Döküm sırasında bazı tali kirişlerin eğildiği tespit ediliyor. Kazanın genişlemesini durdurmak için acil durum güçlendirmesi yapılıyor.
Bu kazanın nedeni, inşaat biriminin kabul prosedürünü takip etmemesi ve rijitliğin geçiş için yeterli olmamasıdır. İkincil kirişi destekleyen çelik boru çamurluk doğrudan temel dolgusunun üzerine yerleştirilmiş ve destek dirseği makasla desteklenmemiştir. Beton dökümünden iki gün önce yağmur yağmış, dolgunun bir kısmı çökmüş, ahşap işçiliği takviyesi yerinde değilmiş, inşaat birimi kendi kendini denetlememiş ve gizli bir kaza tespit edilmemiştir. Dökümden önce herhangi bir amir veya iş sahibi bilgilendirilmemiştir.
Analizden sonra, tek yönlü karbon fiber kumaş kullanıldı. İşlemden sonra yapısal performans test edildi. Gereklilikler karşılandıktan sonra, harcı kaplamak ve pürüzsüzleştirmek için çelik tel örgü kullanıldı.
Yapısal güçlendirme malzemeleri
Tek yönlü karbon fiber kumaş fcfk 3 000N/mm2'den fazladır; Ecf 2,1 x 105 N/mm2'ye eşittir; kalınlık spesifikasyonu: 0,111 mm, 0,167 mm.
Karbon fiber yapıştırıcı: astar, tesviye yapıştırıcısı, ön yapıştırıcı

İnşaat gereksinimleri
1.beton temel işlemi
(1) Beton taban, bağlantı elemanlarını çıkarmalı, yağ kirini temizlemeli ve düz kalıbı ağzını ovalamak için kesmelidir.
(2) Yeni beton yüzeyini ortaya çıkarmak için yüzey yünle kaplanır.
(3) Küçük kusurlar (petek vb.) durumunda, yapısal yapıştırıcı kullanarak telafi edin.
2. Karbon fiber kumaş yapıştırma yapım sırası: alt yapıştırıcıyı fırçalamak, yapıştırıcı macunu sürmek, karbon fiber kumaşı yapıştırmak ve kapak yapıştırıcısını sürmek.
Dikkat Edilmesi Gereken Noktalar
(1) Karbon fiber kumaşı kirişin alt kısmına yapıştırın ve son olarak karbon fiber kasnağı takın.
(2) Karbon fiber kumaş lamine edilirken, ikinci kat yapı ancak ilk kat yapıştırıcı yüzeyi kuruduktan sonra gerçekleştirilebilir ve bu şekilde devam eder.
Özet
Yapısal performans test raporu onaylanmış, kirişin alt kısmı çimento harcı ve çelik tel örgü ile düz olacak şekilde boyanmış ve daha sonraki dönemde herhangi bir çatlak gözlenmemiş, bu da tatmin edici bir güçlendirme etkisi sağlamıştır. CFRP güçlendirme kiriş ve döşemesinin etkisi oldukça iyidir.